CO₂-to-Methanol Process Design

Integrated Flowsheet for CO₂ Capture and Methanol Synthesis

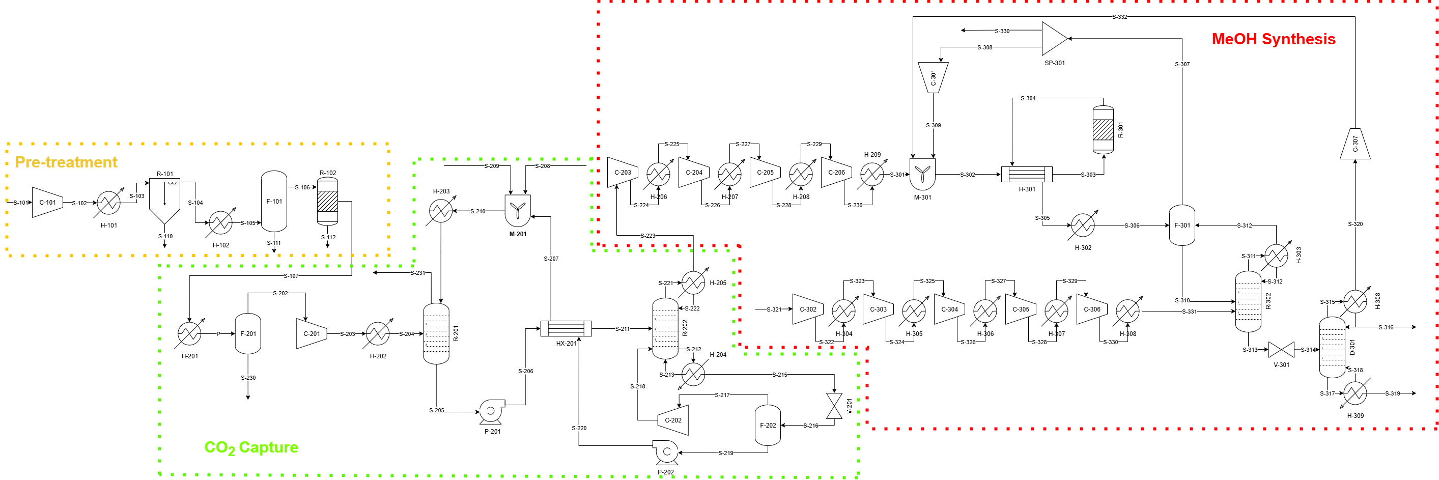
Developed for the 6EMA05 Process Design Project at TU/e, this work presents a fully integrated Aspen Plus model for capturing CO₂ from cement plant flue gas and converting it into sustainable methanol. The process leverages mature MEA absorption technology for post-combustion CO₂ capture and couples it with catalytic hydrogenation using green H₂.

The model spans pre-treatment of flue gas, multi-stage amine absorption, compression, and syngas conditioning, followed by methanol synthesis over a Cu/ZnO/Al₂O₃ catalyst and downstream separation. Optimal energy recovery and recycle loops are included to enhance efficiency, reduce emissions, and minimize hydrogen losses.

This project demonstrates the feasibility of circular carbon utilization by combining carbon capture with green chemical production, offering an industrial-scale pathway toward net-zero fuels and chemicals.